Many
Manuals
search
Kategorie
Značky
Domů
Sharp
Kopírky
AR-150E
Specifikace
Sharp AR-150E Specifikace Strana 103
Stažení
Sdílet
Sdílení
Přidat do mých příruček
Tisk
Strana
/
107
Tabulka s obsahem
KNIHY
Hodnocené
.
/ 5. Na základě
hodnocení zákazníků
1
2
3
4
5
6
7
8
9
10
11
12
13
14
15
16
17
18
19
20
21
22
23
24
25
26
27
28
29
30
31
32
33
34
35
36
37
38
39
40
41
42
43
44
45
46
47
48
49
50
51
52
53
54
55
56
57
58
59
60
61
62
63
64
65
66
67
68
69
70
71
72
73
74
75
76
77
78
79
80
81
82
83
84
85
86
87
88
89
90
91
92
93
94
95
96
97
98
99
100
101
102
103
104
105
106
107
PO
WER SUPPL
Y (100V/110V)
AL-1000/1010
13-9
1
2
...
98
99
100
101
102
103
104
105
106
107
[1] GENERAL
2
[2] SPECIFICATIONS
3
[The reattachment procedure]
9
B. Drum unit
10
[6] Printing process
22
(–580V/–400V)
23
Semiconductor laser
24
[7] OPERATIONAL DESCRIPTIONS
26
To MCU PWB
27
1) Basic structure
28
2) Laser beam path
28
3) Composition
28
Heat roller
29
Thermistor
29
Thermal fuse
29
Heater lamp
29
Separator pawl
29
[8] DISASSEMBLY AND ASSEMBLY
34
D. Charger wire cleaning
35
E. Charger wire replacement
35
Note that there are 13 pawls
36
C. Assembly procedure
37
Heat roller disassembly
39
B. Disassembly procedure
40
Wire treatment
45
Multi cover
46
[9] Adjustment
51
(4) Image position adjustment
57
1. Lead edge adjustment
57
Document guide
58
Copy paper
58
(A4 or 8 1/2″ × 11″)
58
Test chart
59
White paper
59
(1) Main charger (Grid bias)
60
Procedures
60
(2) DV bias adjustment
60
2. List of simulation
62
3. Contents of simulations
63
4. Trouble Codes
72
[11] USER PROGRAM
73
[12] ELECTRICAL SECTION
74
A. Maiin PWB (MCU)
76
(1) CPU signal table
76
(2) ASIC
79
(3) Reset circuit
86
(5) Driver circuit (Solenoid)
88
(7) Main motor drive circuit
88
Mirror motor
89
Block diagram
90
(2) FW signal
92
(3) Heater lamp drive circuit
92
CL (Xenon lamp)
93
CL- (CNT)
93
Input +24V
93
Selector
94
IC902,903
94
[13] CIRCUIT DIAGRAM
95
AL-1000/1010
100
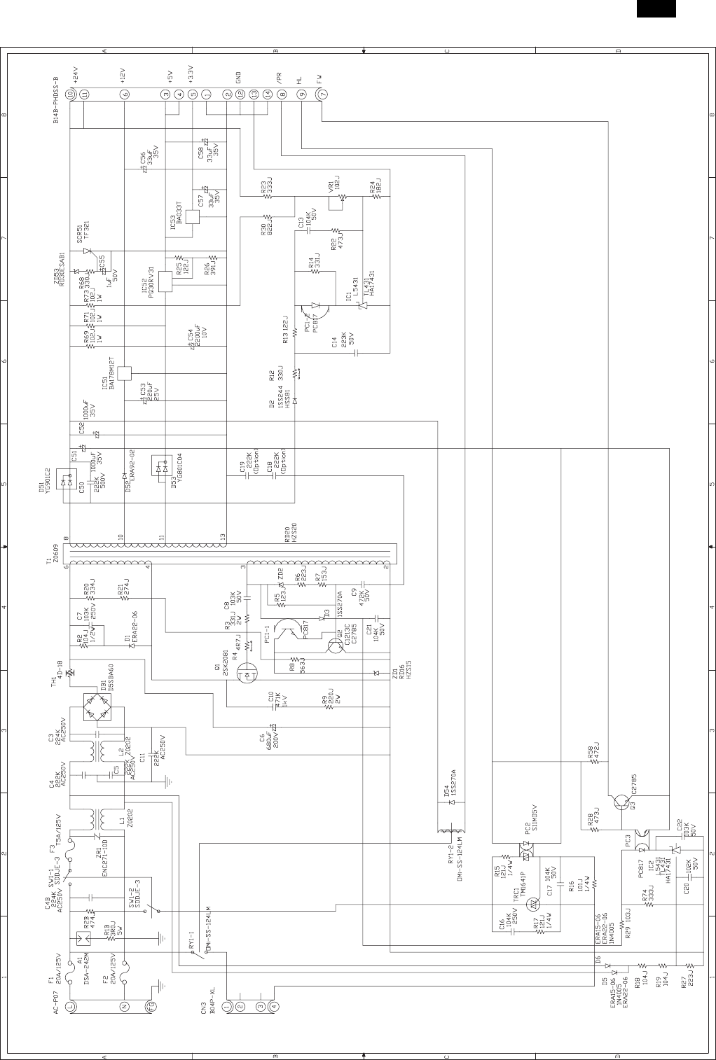
POWER SUPPLY (100V/110V)
103
POWER SUPPLY (120V/127V)
104
POWER SUPPLY (200V Series)
105
ACTUAL WIRING DIAGRAM
106
SHARP CORPORATION
107
Komentáře k této Příručce
Žádné komentáře
Publish
Související produkty a manuály pro Kopírky Sharp AR-150E
Kopírky Sharp AR-NB2 Servisní příručka
(36 stránky)
Kopírky Sharp AR-M208 Uživatelský manuál
(9 stránky)
Kopírky Sharp AR-151 Specifikace
(170 stránky)
Kopírky Sharp MX-PNX1B Uživatelský manuál
(2 stránky)
Kopírky Sharp MX-M200D Uživatelský manuál
(5 stránky)
Kopírky Sharp AR-5220 Uživatelský manuál
(88 stránky)
Kopírky Sharp SF-2530 Uživatelský manuál
(34 stránky)
Kopírky Sharp AR-150 SERIES Uživatelský manuál
(1 stránky)
Kopírky Sharp AR-C360P Specifikace
(181 stránky)
Kopírky Sharp MX-M283 Uživatelský manuál
(12 stránky)
Kopírky Sharp AR-207 Uživatelský manuál
(5 stránky)
Kopírky Sharp AR-M276 Uživatelský manuál
(1 stránky)
Kopírky Sharp JH-1600E Uživatelský manuál
(13 stránky)
Kopírky Sharp AL-1225 Uživatelský manuál
(9 stránky)
Kopírky Sharp DX-C400 - Color - All-in-One Uživatelský manuál
(12 stránky)
Kopírky Sharp MX-C402SC Manuál s instrukcemi
(58 stránky)
Kopírky Sharp DM-1505 - B/W Laser Printer Uživatelský manuál
(4 stránky)
Kopírky Sharp AR-F14N Uživatelský manuál
(8 stránky)
Kopírky Sharp AL-1670 - B/W Laser - Copier Specifikace
(72 stránky)
Kopírky Sharp AR-M276 Uživatelský manuál
(24 stránky)
Tisknout dokument
Tisknout stránku 103
Komentáře k této Příručce