
AR-FX12 ELECTRICAL SECTION 8-16
HS1/HS2
EXHS
IC6
8
4
NJM4558
IC4
8
4
NJM4558
0
CI
/10DDA40
0.33u/50V
DSS-401M
CRG02
CRG02
CRG02
CRG02
2.2u/50V 0.1u
H8D3063
10u/16V N.P
IC2
7
3
DSS-401M
2105
100p(CH)
0
0
ST-202S
EL0607RA-331J-PF
EL0607RA-331J-PF
0
0
THS_56F
0.1u
0.033u(B)
OUAZ-SH-112LZ
1SS133
DTC143ZKA
0.1u
1000p(B)
100k
NJM4558
NJM4558
10k
1k
RB751V40
RB751V40
1k
3.9k
PC817X4
1SS133
1.2k
10k
0.022u
0.047u/400V
1000p/AC250V 1000p/AC250V
LT2
/EXHS
LT1
/CML
BT1
/FNETD
MR
TEL1
BT2
S
/CI
/HS2
/DP
TEL2
/HS1
CML
21
4 3
4
6
8
11
9
13
161
E
BC
2 1
3 4
E
B C
E
B C
E
BC
E
B C
2
7
1
11 12
2
4 7
13 16
17
9
5
6
1
2
1 5
2 3
E
BC
5
6
7
2 1
43
3
2
1
21
34
2
7
1
11 12
3
2
1
2
1
3
4
E
BC
NC
2
GND
3
1300Hz_IN
5
NC
4
DET OUT
1
+Vcc
7
Bias
6
21
4 3
2 1
43
13
12
4
6
8
11
9
13
16 1
6 3
4 1
ZD4
MTZJ4.7BT-77
CP83
R20
10 1/4W
PC814X1
PC2
C47
N.M
CP76
RSB-12-U
RY4
C4
N.M
R12
0
R5
2k 1/4W
MJ2-3
C29
N.M
+
CN2-13
Q13
2SC2412K-S
CP48
C34
0.1u
CP5
R68
27k
R51
10 1/4W
N.M
Q1
CP18
CP28
CN2-18
CP194
C16
47u/16V N.P
L10
SBT0260
D7
N.M
C39
10u/16V N.P
R41
10k
D11 1SS133
CP75
CP7
CP70
MJ2-4
CP52
VA2
TNR5V101K
CP67
C10
N.M
CP27
CP37
L12
ST110AV
R30
1k
CP62
R40
2.7k
R62
0
CP32
R4
N.M
D17 1SS133
CP33
CP38
CP53
DTC143ZKA
Q18
CP47
Q12
2SD592A_S
CP58
D8
N.M
R29
18k 1/4W
L11
N.M
CP30
C36
1000p(B)
DTC143ZKA
Q20
D9
N.M
CP42
CP11
D10
N.M
CP23
R42
22k
CP31
CP34
CP195
DTC143ZKA
Q16
R78
N.M
C28
N.M
R13
15k 1W
CP1
CP59
D12
N.M
CP63
Q2
DTC143ZKA
R53
N.M
91 1/4W
R11
CP15
CP66
CP17
R1
10k
CP12
CP55
CP84
SA2
N.M
ZD1
HZS2C1
CP35
ZD6
MTZJ33
BT-77
CP14
C14
1u/250V
CP8
CP20
C53
N.M
N.M
RY1
R58
22k
C1
N.M
+
CP49
R21
220k 1/4W
CN2-16
CP78
L8
SBT0260
C21
1000p/500V
CP26
T3
TRTEP17-0411E
CP24
CP79
IC2
N.M
L13
N.M
CP46
R23
4.7 1/2W
T2
N.M
ZD5
MTZJ4.7
BT-77
C52
4.7u/50V
+
DTC143ZKA
Q23
R52
N.M
SA3
N.M
VA1
TNR5V471K
MJ2-5
MJ2-1
CN2-15
IC6B
N.M
+
-
D1
N.M
CP3
CP29
CP36
PC3
PC817X4
R65
N.M
CP77
JP2
JP
IC6A
N.M
+
-
L7
N.M
R43
360k
C51
N.M
CN2-12
CP21
CP39
CP64
OUAZ-SH-112LZ
RY2
R64
N.M
CP10
MJ2-2
CP25
CP72
IC4A
NJM4558
+
-
HZS2C1
ZD3
CP19
CP40
REC1
S1ZB60
C15
N.M
CP43
R55
N.M
C27
N.M
CP2
R31
10k
MJ2-6
ZD8
MTZJ4.7BT-77
CP41
R46
1k
CP16
CP80
R26
N.M
HZS2C1
ZD2
Q3
2SC3415P
CP73
C38
10u/16V N.P
CN2-10
C33
4.7u/50V
+
DTC143ZKA
Q10
D13
1SS133
CP22
CP9
IC3
N.M
CP44
CP81
Q11
2SD1266A_O
Q4
2SA1807_P
D4
10E_4
30 1/4W
R8
CN2-9
CP65
MJ1-1
R54
N.M
PC1
PC817X4
CP197
CP51
PC4
N.M
SA1
DSS-401M
CP4
L9
SBT0260
C26
N.M
C17
1000p(B)
CN2-26
IC7A
BU4066B
MJ1-2
R66
N.M
CP74
L6
SBT0260
ZD7
MTZJ8.2BT-77
C46
4.7u/50V
+
C37
N.M
C32
JP
C40
N.M
D16
N.M
ZD9
MTZJ4.7BT-77
CP82
JP1
JP
CP54
RSB-12-U
RY3
CP13
R56
N.M
CN2-17
NF1
MMZ1608S121AT
R25
120k 1/4W
CP85
D15
N.M
CP6
R3
N.M
R28
3k 1/4W
R16
51k 1/4W
T1
Z0140PE
CP50
R24
100k 1/4W
R35
30k 1/4W
AG
AG
DG
12V
ARG
12VS
12V
DG
5V
12V
12V
12VS
12V
AG
12VS
AG
ARG
DG
DGDG DG
AG
ARG
DG
DG
DG
DG
DG
5V
DG
12VS
ARG ARG
AG
VREF12VS
( 2,3 )
IN/OUT( 2 )
VREF12VS
( 3 )
VREF12VS
( 3 )
VREF12VS
( 3 )
MON ( 2 )
VREF12VS
( 3 )
CIP1 ( 3 )
8 7
6 5 24 3 1
A
B
C
D
8
7 6 5 24 3 1
A
B
C
D
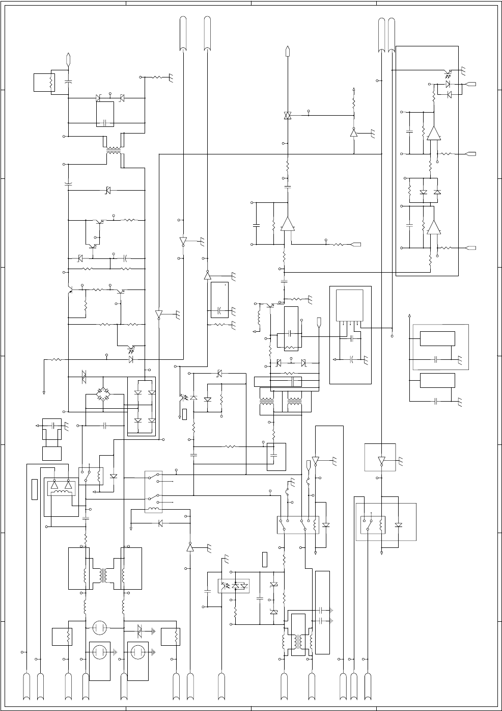
TEL/LIU PWB(USA) (1/3)
[08]ELECTRICALSECTION.fm 16 ページ 2004年10月26日 火曜日 午後3時46分
Komentáře k této Příručce