
Advanced Features
Playback
76
Advanced Features
AV-OUT
VIDEO
S-VIDEO
L-AUDIO-R
(MONO)
:
Using the Camcorder
as a Converter
Available mode:
Tape Playback
You can use this camcorder to convert from
analog signal (e.g. video recorded on 8 mm
or Hi8 tapes) to digital signal.
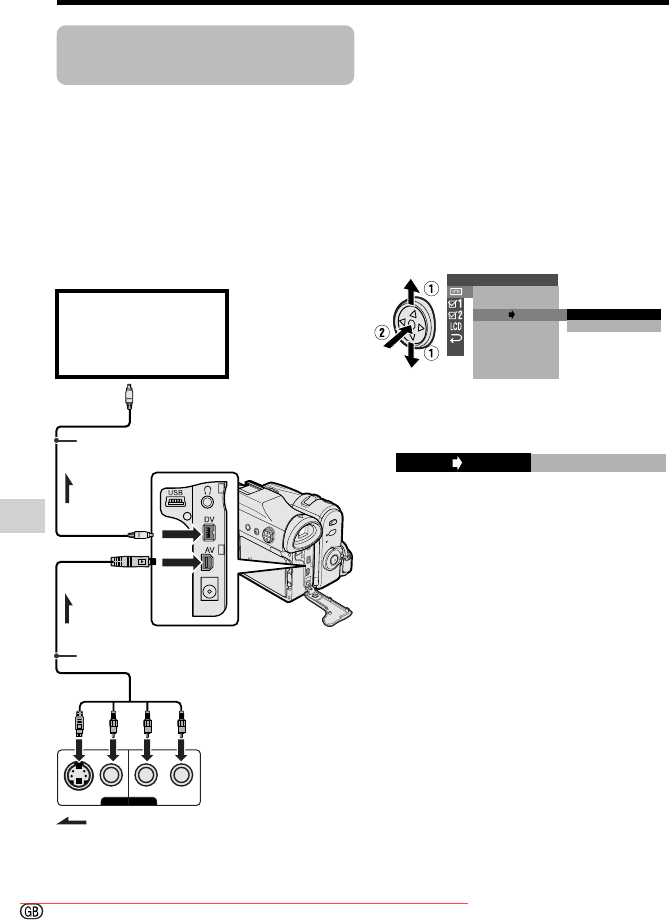
Preparation
Connect the audio/video/S-video cable and
DV cable as shown below.
Note:
• See page 2 for how to open the terminal
cover.
PLAYBACK
AUDI O
ANLG DGTL
RETURN
SET
OFF
ON
ROTATE PB
ONANLG DGTL
1 Set the camcorder to Tape Playback
mode, and make sure that playback is
stopped.
2 Press the MENU button to display the
menu screen.
3 Press l or m on the Operation
button to select V, then press the
centre of the Operation button.
4 Press l or m to select
“ANLGyDGTL”, then press the centre
of the Operation button.
5 Press l or m to select “ON”, then
press the centre of the Operation
button.
6 Press the MENU button to turn off the
menu screen.
7 Press the Play button on the analog
equipment.
• Check the monitor on the digital
equipment to see if the picture is
being properly received.
8 Press the Record button on the digital
equipment.
Notes:
• The camcorder is not guaranteed to work
with all digital/analog equipment. Contact the
manufacturer of your equipment for advice.
• If the camcorder outputs a video recording
with a copyright signal, the digital equipment
cannot record or save it.
• The camcorder may not convert some input
video recordings properly (e.g.
discolouration, picture noise, muted sound),
depending on the input condition.
To DV terminal
To AV terminal
To DV terminal
DV cable (commercially available)
Playback
(analog equipment)
e.g. 8 mm or Hi8
camcorder
Black: To S-video output socket
Yellow: To video output jack
White: To audio output (L) jack
Red: To audio output (R) jack
Analog
signal
Audio/video/S-video cable (supplied)
Digital
signal
Recording
(digital equipment)
e.g. computer
The arrow shows the signal flow.
VL-Z800S-GB-067-076 04.1.23, 8:08 AM76
Downloaded From VideoCamera-Manual.com Manuals
Komentáře k této Příručce