
12 /
2. OPERATION DESCRIPTION
The C7500/C7300 of printers, tandem color electrophotographic page printers, adopt technologies
such as an LED array, OPC, dry single-component non-magnetic developing, roller transfer and
heat-compression fusing. A black-writing printing method by shedding light on print areas is used.
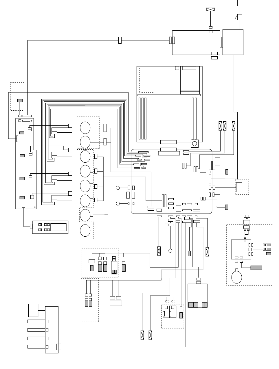
Figure 2-1-1(600dpi) provides the block diagram of the printer.
N71 Board
Belt
Fuse
K Fuse
Y Fuse
M Fuse
C Fuse
JODEN
14P
Paper Tray 1 Paper Empty
Paper Tray 2 Near Empty
3P
3P
WHITE
BLUE
OPTION
7P
7P
BLUE
BLUE
BLUE
WHITE
WHITE
KPOW
K1200
YPOW
Y1200
CPOW
C1200
OPTN
MPOW
M1200
YELLOW
FAN1 (Pr)
FAN2 (Pow)
Plate Senosr
Density
5P
red
Gray
Blue
Z7L
Z7R
9P
22P
14P
14P
3P3P
3P
2P
9P
10P
16P
16P
4P
R71 board
HOP(INSNS1)
PAPIN(INSNS2)
PSWR(WRSNS)
TNRFUL
Manual Bypass Feeder (MBF)
Hopping
Motor
FF/Regist
Motor
K IDU
Motor
Y IDU
Motor
M IDU
Motor
C IDU
Motor
Belt
Motor
Heat
Motor
MBF Stage
MBF Paper Empty
Duplex Unit
DUP
V71 Board
Motor
Clutch
INSENS
FSENS
RSENS
Main
14P
7P
7P
7P
7P
Front Cover
Open
Microswitch
Upper Cover
Open Microswitch
COVOPN
TR10P
JODEN
REG
FAN8
8P
BEL THET
FEED
FSENS
RSNS
RCL
FAN1
FAN2
PCB-K7N
POWER
FAN
FAN(LEFT)
HVOLT
PSIZE
FCOVER
DUPLEX
CUIF
FAN4
black
yellow
yellow
yellow
red
red
red
red
red
red
FAN7
blue
blue
FAN5
PARTTEMP
yellow
yellow
3P
2P
Exit sensor
cable40
Regist
clutch
SHUTTER
ID
DCL
HOPFF
Main Motor Assy Belt Motor Assy
46
WHITE YELLOW
K LED HEAD
Control Panel
X7N board
Y LED HEAD
M LED HEAD
C LED HEAD
Toner Sensor (Y73-board)
Paper Size
Sensor
PXC-Board
AC Switch
AC
CN1 CN1
CN5
CN2
High -voltage
power supply
Low-voltage
power supply
CN3
CN2
10P
26P
26P
16P
3P
6P
16P
3P
16P
8P
2P
Exit solenoid
Cord 7
6P
TNRK
PANEL
STUCK
POWER
4P 4P
4P 4P 4P 4P
RED WHITE
BLACK YELLOW RED BLUE
6P
KPOW2
TNRY
YPOW2
TNRM
MPOW2
TNRC
CPOW2
OPTN
16P
3P
3P
3P3P3P
14P
STUCKFULL
Sns.
3P
FAN0
Up/Down
OHP Sen.
4P
4P
green
HUM
TEMP
yellow
yellow
yellow
Paper
thickness
2
RAM
TIG board
ROM
HDD
LAN
USB
CENTRO
FAN
FAN
10
2P
shutter clutch
Figure 2-1-1 600dpi
Komentáře k této Příručce