Many
Manuals
search
Kategorie
Značky
Domů
Sharp
Kopírky
AR-151
Specifikace
Sharp AR-151 Specifikace Strana 158
Stažení
Sdílet
Sdílení
Přidat do mých příruček
Tisk
Strana
/
170
Tabulka s obsahem
KNIHY
Hodnocené
.
/ 5. Na základě
hodnocení zákazníků
1
2
3
4
5
6
7
8
9
10
11
12
13
14
15
16
17
18
19
20
21
22
23
24
25
26
27
28
29
30
31
32
33
34
35
36
37
38
39
40
41
42
43
44
45
46
47
48
49
50
51
52
53
54
55
56
57
58
59
60
61
62
63
64
65
66
67
68
69
70
71
72
73
74
75
76
77
78
79
80
81
82
83
84
85
86
87
88
89
90
91
92
93
94
95
96
97
98
99
100
101
102
103
104
105
106
107
108
109
110
111
112
113
114
115
116
117
118
119
120
121
122
123
124
125
126
127
128
129
130
131
132
133
134
135
136
137
138
139
140
141
142
143
144
145
146
147
148
149
150
151
152
153
154
155
156
157
158
159
160
161
162
163
164
165
166
167
168
169
170
AR-F152
13 – 15
1
2
...
153
154
155
156
157
158
159
160
161
162
163
...
169
170
DIGITAL COPIER
1
VORSICHT
2
ADVARSEL
2
VARNING !
2
[1] GENERAL
4
[2] SPECIFICATIONS
5
C. Copy performance
6
[3] CONSUMABLE PARTS
16
2. Environmental
17
4. TD cartridge replacement
18
1. Appearance
19
2. Internal
19
3. Operation panel
20
191817161514
20
FAX STARTSTOP
21
5. Motors and solenoids
22
6. Sensors and switches
23
7. PWB unit
24
8. Cross sectional view
25
1. COPIER INSTALLATION
26
2. CAUTIONS ON HANDLING
26
8. LOADING COPY PAPER
28
Paper guide (B)
29
Paper guide (A)
29
[6] OPERATIONAL DESCRIPTIONS
30
2. Scanner section
31
3. Laser unit
31
4. Fuser section
32
A. Outline
36
C. Operational descriptions
37
A. Initial state
38
B. Front copy
38
C. Back copy
38
Communicatinon error flag ON
39
Response received?
40
Command received?
42
Auto dial sending
43
[7] DISASSEMBLY AND ASSEMBLY
44
C. Disassembly procedure
46
D. Assembly procedure
46
E. Charger wire cleaning
46
2. Operation panel section
47
3. Optical section
48
4. Fusing section
49
B. Disassembly procedure
49
PPD2 sensor
50
Heat roller
51
CAUTION:Attach
54
6. Manual paper feed section
56
Wire treatment
57
7. Rear frame section
60
8. Power section
61
9. SPF section
61
A. Sensor PWB
62
B. Pickup solenoid
62
C. Clutch
62
F. SPF motor
63
G. Paper entry sensor
63
10. 2nd cassette section
64
B. Cassette detection SW
65
C. Paper feed solenoid
65
D. Transport roller
65
E. Paper feed clutch
65
F. 2nd paper feed roller
65
B. Intermediate tray
67
C. Upper cover
67
D. Pickup unit
68
F. Sensor PWB
68
G. Pickup solenoid
68
H. Clutch
69
J. Transport unit removal
70
K. Belt 1
70
L. Belt 2
70
M. SPF motor
70
N. Solenoid
70
O. Clutch
71
P. PS roller
71
Q. Paper entry sensor
71
R. Transport roller1
72
S. Paper exit roller
72
14. FAX, MCU PWB section
73
(AR-F152 only)
73
D. Remove the PWB cover FAX
74
E. Remove the MCU PWB
74
B. Remove the metal fixtures
74
ROM (AR-F152 only)
77
[8] ADJUSTMENT
78
Set screw
79
Scanner unit drive pulley
79
Copy lamp unit projection
79
Image distortion check chart
79
Document
80
Greater distortion
80
Smaller distortion
80
Copy image dimension
82
Original dimension
82
D. Image position adjustment
83
B4 or 8 1/2″ × 14″ paper
84
A4 size rear edge
84
2. Copy density adjustment
85
3. High voltage adjustment
86
4. Duplex adjustment
86
Scale (D-D mode)
87
5. Density section
88
6. Communication section
89
1. List of simulations
90
AE, Main cassette lamp
101
AE lamp (Blinking)
101
AE, TEXT lamp
101
AE, TEXT, PHOTO lamp
101
B. List of functions
103
A. Software Switch List
109
5. TROUBLE CODES
118
(1) Sending error
119
(2) Reception error
119
(1) LCD: FAX SERVICE ERROR(#)
119
[10] USER PROGRAM
120
[11] MAINTENANCE
121
[12] ELECTRICAL SECTION
122
B. MCU PWB unit
123
FAX PWB UNIT
124
2. Circuit descriptions
125
(2) ASIC (Signal table)
127
LCD PWB
134
NSFX200 (IC503) supplies
135
Input Signals
135
Output Signals
135
Input/Output Signals
136
(2) NS32FX164 (IC507)
136
Input-Output Signals
137
(4) CPU interface
138
(5) Image memory interface
138
(6) Others
138
Motor control
140
Bus control
140
LBP module
141
6. LCD circuit (AR-F152 only)
142
C. LCD panel pin arrangement
143
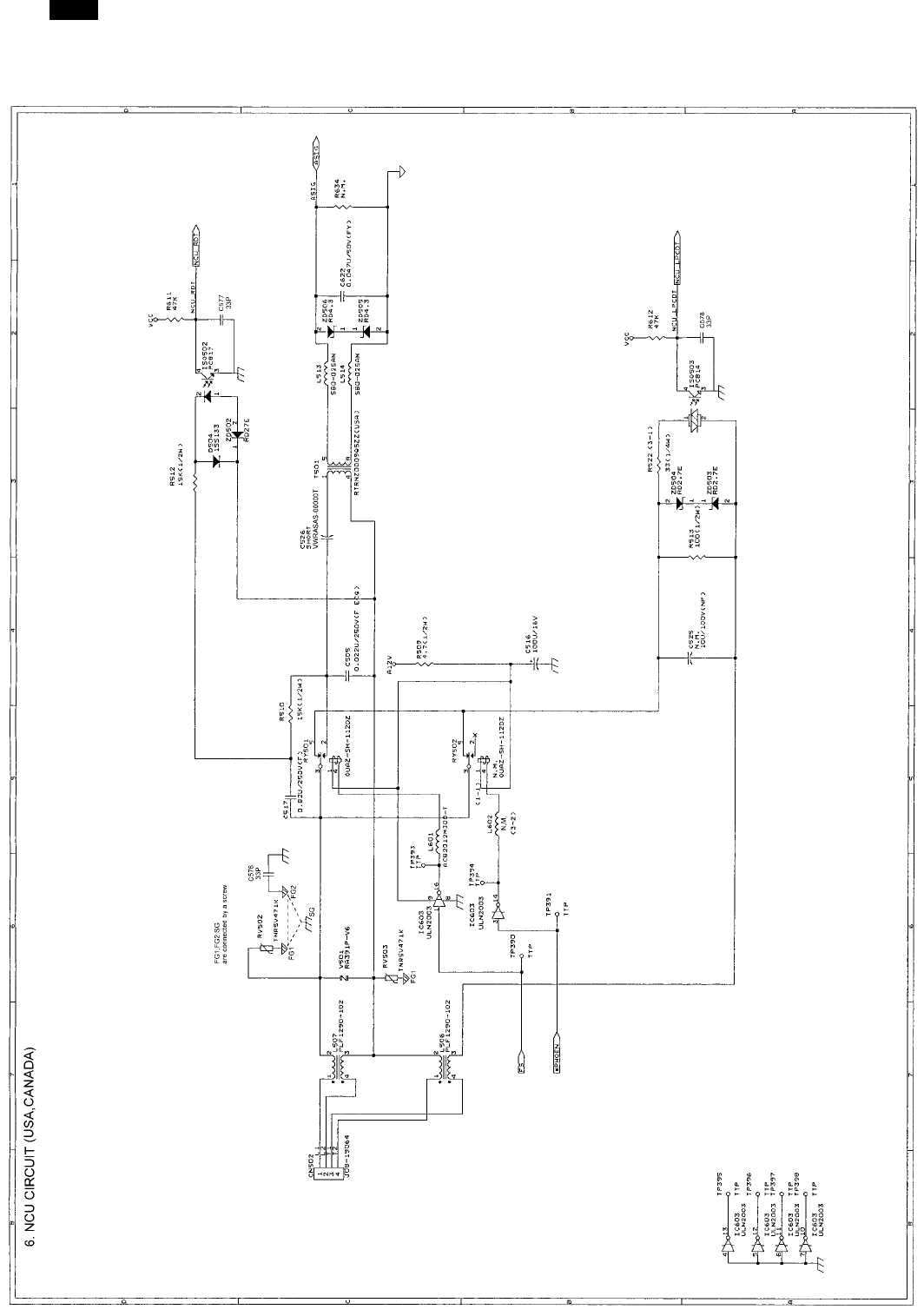
[13] CIRCUIT DIAGRAM
144
MCU 2 (INPUT SECTION)
145
MCU 3 (OUTPUT SECTION 1)
146
MCU 4 (OUTPUT SECTION 2)
147
MCU 5 (ASIC SECTION)
148
MCU 7 (CONNECTOR SECTION 2)
150
MCU 8 (CONNECTOR SECTION 3)
151
FAX LCD PWB (AR-F152 Only)
162
ACTUAL WIRING DIAGRAM 1/5
164
ACTUAL WIRING DIAGRAM 2/5
165
ACTUAL WIRING DIAGRAM 3/5
166
ACTUAL WIRING DIAGRAM 4/5
167
ACTUAL WIRING DIAGRAM 5/5
168
SHARP CORPORATION
170
Komentáře k této Příručce
Žádné komentáře
Publish
Související produkty a manuály pro Kopírky Sharp AR-151
Kopírky Sharp MX-PNX1B Uživatelský manuál
(2 stránky)
Kopírky Sharp MX-M200D Uživatelský manuál
(5 stránky)
Kopírky Sharp AR-5220 Uživatelský manuál
(88 stránky)
Kopírky Sharp SF-2530 Uživatelský manuál
(34 stránky)
Kopírky Sharp AR-150 SERIES Uživatelský manuál
(1 stránky)
Kopírky Sharp AR-C360P Specifikace
(181 stránky)
Kopírky Sharp MX-M283 Uživatelský manuál
(12 stránky)
Kopírky Sharp AR-207 Uživatelský manuál
(5 stránky)
Kopírky Sharp AR-M276 Uživatelský manuál
(1 stránky)
Kopírky Sharp JH-1600E Uživatelský manuál
(13 stránky)
Kopírky Sharp AL-1225 Uživatelský manuál
(9 stránky)
Kopírky Sharp DX-C400 - Color - All-in-One Uživatelský manuál
(12 stránky)
Kopírky Sharp MX-C402SC Manuál s instrukcemi
(58 stránky)
Kopírky Sharp DM-1505 - B/W Laser Printer Uživatelský manuál
(4 stránky)
Kopírky Sharp AR-F14N Uživatelský manuál
(8 stránky)
Kopírky Sharp AL-1670 - B/W Laser - Copier Specifikace
(72 stránky)
Kopírky Sharp AR-M276 Uživatelský manuál
(24 stránky)
Kopírky Sharp AR-NB3 Specifikace
(41 stránky)
Kopírky Sharp AR-5316 Specifikace
(56 stránky)
Kopírky Sharp SF-2414 Uživatelský manuál
(43 stránky)
Tisknout dokument
Tisknout stránku 158
Komentáře k této Příručce