
Intel
®
StrongARM
®
SA-1110 Microprocessor Development Board
User’s Guide
3-3
Theory of Operation
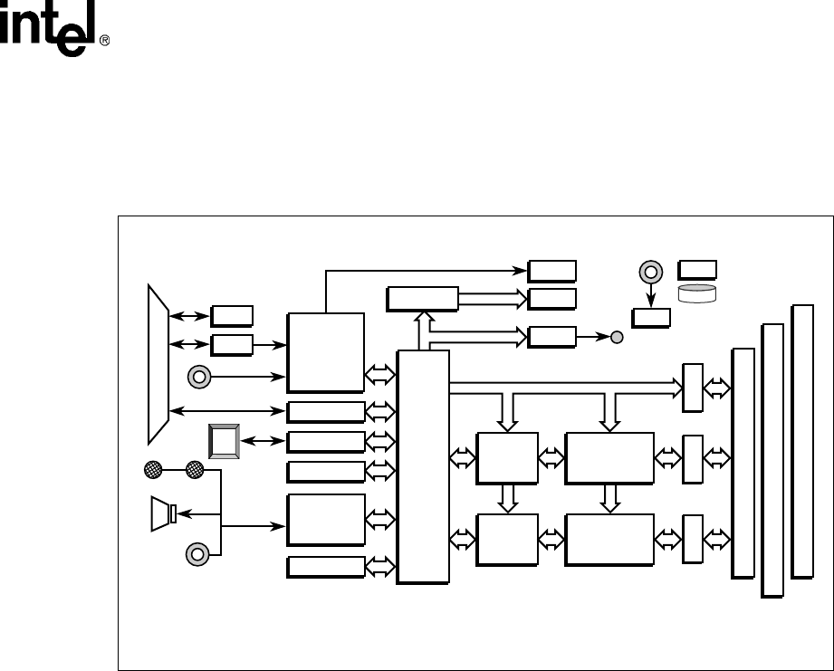
As shown in Figure 3-2, the system partitioning allows the SA-1110 Development Board to be used
by itself as a minimal palm-size PC system. All device interfacing is implemented with in-system
programmable CPLDs and most system interface points are available on connectors suitable for
daughter boards or cables.
Figure 3-2. Intel
®
StrongARM
®
SA-1110 Development Board Inputs and Outputs
A7264-01
JTAG
DAA
RS232
UCB1300
POTS
codec
Touch
Screen
LCD
TVenc
Xcvr XcvrXcvr
touch
Chrg
Pwr
batt
USBend
IrDA
Intel
®
StrongARM
®
SA-1110
CF II Slot
Intel
®
StrongARM
®*
SA-1111 140-pin Header
Graphics 140-pin Header
CPLD
Base Header
USB
spk
micmic
Stereo
codec
SDRAM
SDRAM
Intel
®
StrataFlash™
Memory
Intel
StrataFlash
Memory
* StrongARM is the registered trademark of ARM Limited.
Komentáře k této Příručce