
D-3
DEUTSCH
CD-SW340H
2008/April/18 CD-SW340H
Allgemeine Informationen
Bedienungselemente und Anzeigen
Gerätevorderseite
Bezugsseite
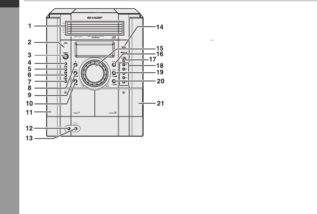
1. Disc-Schublade . . . . . . . . . . . . . . . . . . . . . . . . . . . . . . . . . . 14
2. Timeranzeige . . . . . . . . . . . . . . . . . . . . . . . . . . . . . . . . . . . 36
3. Netz-/Bereitschaftstaste . . . . . . . . . . . . . . . . . . . . . 11, 13, 23
4. CD-Taste . . . . . . . . . . . . . . . . . . . . . . . . . . . . . . . . . . . . . . . . 13
5. Laufwerk (1 2) Taste . . . . . . . . . . . . . . . . . . . . . . . . . . . . . 25
6. Tuner (Radio bereich)-Taste . . . . . . . . . . . . . . . . . . . . . . . . 23
7. Audio-In-Taste . . . . . . . . . . . . . . . . . . . . . . . . . . . . . . . . . . . 39
8. Disc- oder Band-Stopptaste . . . . . . . . . . . . . . . . . . . . . 15, 26
9. Taste für vorigen CD-Titel oder Rücklauf, Rücklauf
Kassettendeck 2, vorigen gespeicherten Sender,
Zeit rückwärts . . . . . . . . . . . . . . . . . . . . . 12, 15, 24, 25, 26, 35
10. Abstimm-Abwärts-Taste. . . . . . . . . . . . . . . . . . . . . . . . . 19, 23
11. Laufwerk 1 Cassettenfach . . . . . . . . . . . . . . . . . . . . . . . . . . 28
12. Kopfhörerbuchse . . . . . . . . . . . . . . . . . . . . . . . . . . . . . . . . . 39
13. AUDIO In-Buchse . . . . . . . . . . . . . . . . . . . . . . . . . . . . . . . . . 39
14. Fernbedienungssensor . . . . . . . . . . . . . . . . . . . . . . . . . . . . 10
15. Lautstärkeregler . . . . . . . . . . . . . . . . . . . . . . . . . . . . . . . . . . 11
16. Disc-Wiedergabe- oder Wiederhol-,
Bandwiedergabetaste . . . . . . . . . . . . . . . . . . . 13, 15, 25, 26
17. Taste zum Öffnen/Schließen der Disc-Schublade . . . . . . . 13
18. Discnummer-Wahltasten . . . . . . . . . . . . . . . . . . . . . . . . . . . 13
19. Taste für nächsten CD-Titel oder Vorlauf, Vorlauf
Kassettendeck 2, nächsten gespeicherten Sender,
Zeit Vorwärts . . . . . . . . . . . . . . . . . . . . . . 12, 15, 24, 25, 26, 35
20. Abstimm-Aufwärts-Taste . . . . . . . . . . . . . . . . . . . . . . . . 19, 23
21. Laufwerk 2 Cassettenfach . . . . . . . . . . . . . . . . . . . . . . . . . . 28
TIMER
CD
4
5
3
2
1
PHONES
RECORD/PLAYBACK
PLAYBACK (PLAY & STOP)
AUDIO
IN
Komentáře k této Příručce