
MD-R3
– 37 –
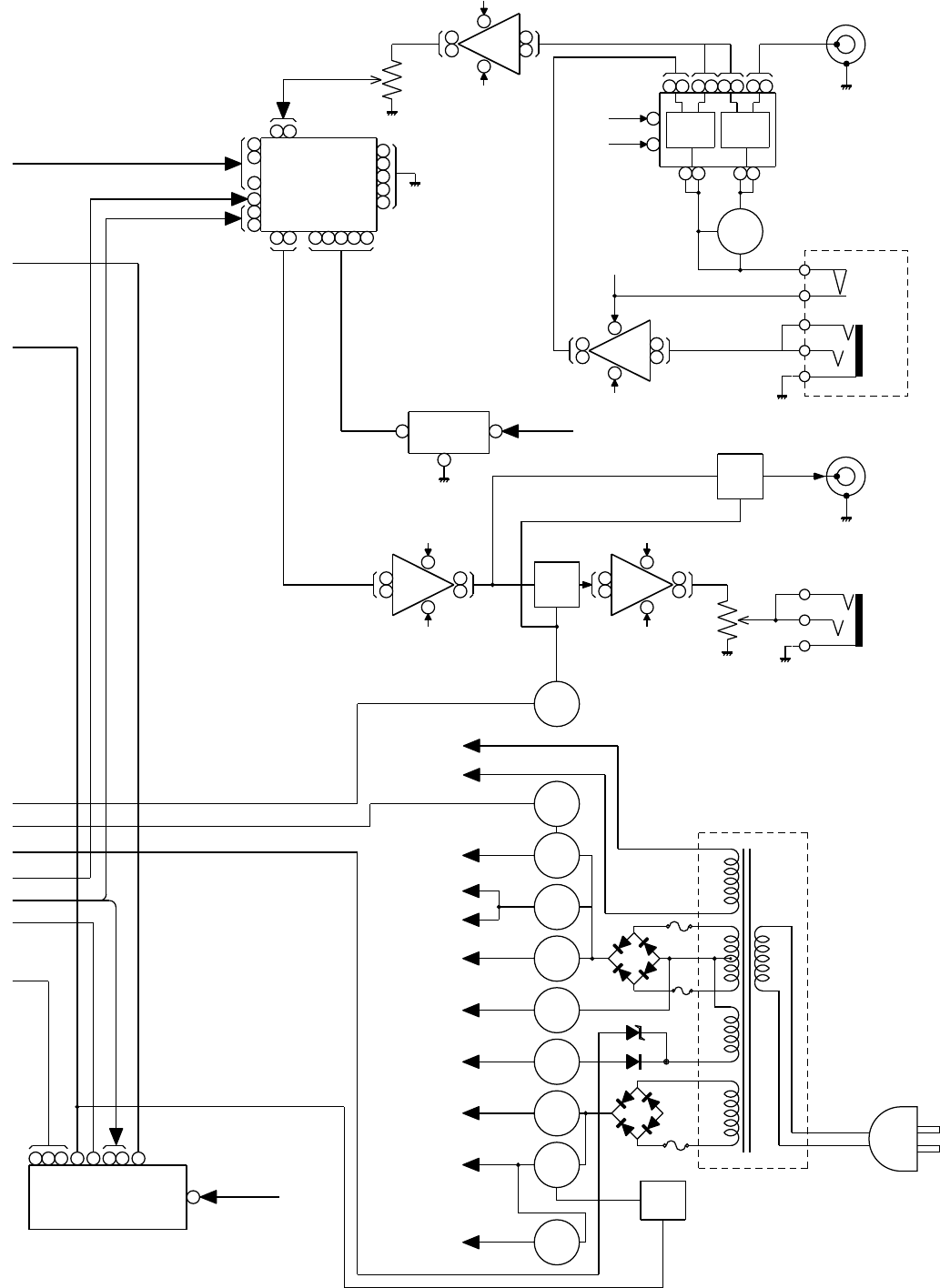
Figure 37 BLOCK DIAGRAM (4/4)
A+9V
POWER
CIRCUIT
A–9V
POWER
CIRCUIT
5V SYSTEM
POWER
CIRCUIT
MD+
POWER
CIRCUIT
VOUTR,VOUTL
SYSCLK,WS,DATA0,DATA1
VINL,VINR
IC9904
BU2092F
INPUT/OUTPUT
EXPANDER
5V
VR651
HEADPHONE VOL
J651
HEADPHONES
IC501
S81233YX
REGULATOR
IC201
UDA1340
AD/DA CONVERTER
A–9V
A–9V
IC351
MIC AMP
NJM4560D
A+9V
A+9V
Q601
Q602
5V
BACK UP 5V
J351
MIC JACK
IC380
MC14066B
ANALOG SWITCH
IC101
NJU4560D
LINE IN AMP
J101
LINE IN
A+9V
MUTE
MUTE
IC601
LINE AMP
NJM4580D
J101
LINE OUT
IC651
HEADPHONE AMP
NJM4560D
A+9V
A–9V
Q451
Q452
VR101
REC VOL
Q380
A+9V
A–9V
AC 120V
60Hz
CD5V
Q509
D508
FL VP
CD7.5V
CH9V
Q501
Q510
Q511
Q508
Q507
D555
Q505
Q653
Q506
MD 7.5V/5V
FL+B
FL+B
Q504
T551
POWER TRANS FORMER
A–9V
A+9V
Q502
Q503
7.5V
5V
VDDA
VADCP
VDDD
AVDD
VDD0
~
L3MODE
L3DATA
L3CLK
2
3
1
1
7
3
5
8
4
A+9V
A–9V
1
7
3
5
8
4
56
1213
11
7
14
53
26 24 25 23 10
72
4
3
5
8
7
1
4
3
5
8
7
1
12
17
14
13
19
15
22
11
27
1
6
1
10
294 83
678 32
15
18
54
F553
1.0A
F552
1.0A
F551
1.0A
Komentáře k této Příručce